← how do you draw a unicorn head how do you draw pokemon characters →
If you are searching about Demodulator – Page 2 – Simple Circuit Diagram you've visit to the right page. We have 20 Images about Demodulator – Page 2 – Simple Circuit Diagram like Simple second-line logic state discriminator circuit diagram composed, TRANSISTOR_PUMP_DISCRIMINATOR - Basic_Circuit - Circuit Diagram and also Demodulator – Page 2 – Simple Circuit Diagram. Read more:
Demodulator – Page 2 – Simple Circuit Diagram

pll demodulator adam
Discriminator Circuit

discriminator circuit pulse height radiation
A) Structure Of The Discriminator Circuit. B) Integrator (left) And

[DIAGRAM] Logic Circuit Diagrams Conventions - MYDIAGRAM.ONLINE
![[DIAGRAM] Logic Circuit Diagrams Conventions - MYDIAGRAM.ONLINE](https://www.researchgate.net/profile/James_Ephraim/publication/47756477/figure/fig4/AS:667183101259779@1536080255402/4-Schematic-diagram-of-the-sequence-of-events-in-scintillation-detector.png)
CRYSTAL_DISCRIMINATOR_ - Oscillator_Circuit - Signal_Processing

discriminator circuit crystal seekic fm
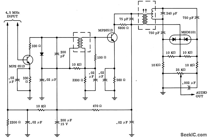
TRANSISTOR_PUMP_DISCRIMINATOR - Basic_Circuit - Circuit Diagram

discriminator circuit transistor pump seekic if mhz discrete tuner placed fm built strip between quality used high
Demodulator – Page 2 – Simple Circuit Diagram

demodulation am detector linear 2010 rust november circuit simple
(color Online) All-optical Logic Discriminator Device By Adopting The

logic adopting discriminator
Detection - Identify Discriminator Circuit? - Electrical Engineering

discriminator circuit identify seeley stack
Discriminator Circuit Image – Pressure Tested Publishing

Complete Schematic Of The Discriminator. | Download Scientific Diagram

LOW_COST_DISCRIMINATOR - Basic_Circuit - Circuit Diagram - SeekIC.com

discriminator circuit cost low seekic
Simple Second-line Logic State Discriminator Circuit Diagram Composed

circuit logic state discriminator second simple line diagram composed seekic basic
Discriminator Electronic Logic Signal Output. | Download Scientific Diagram
11: Schematic Diagram Of Discriminator Logic Circuit. | Download

Index 1323 - Circuit Diagram - SeekIC.com

circuit diagram seekic
Complete Schematic Of The Discriminator. | Download Scientific Diagram

Complete Schematic Of The Discriminator. | Download Scientific Diagram

Discriminator Scheme | Download Scientific Diagram

Detection - Identify Discriminator Circuit? - Electrical Engineering

circuit discriminator identify detection stack
Discriminator circuit identify seeley stack. Complete schematic of the discriminator.. (color online) all-optical logic discriminator device by adopting the